2013 Road Glide Stereo Wiring Diagram : I Neeed To Know What Wires Go Where On A 2008 Road Glide Twist Grip Sensor Because I Pulled The Pins Outa The Connector : Hi anonymous, i am sorry you can't find the first and best tool you ever bought for your harley davidson.

2013 Road Glide Stereo Wiring Diagram : I Neeed To Know What Wires Go Where On A 2008 Road Glide Twist Grip Sensor Because I Pulled The Pins Outa The Connector : Hi anonymous, i am sorry you can't find the first and best tool you ever bought for your harley davidson.. Dennis (friday, 08 march 2019 02:47) 2018 audio wiring schematic harley davidson headset diagram flhx full 2011 street boom stage ii tour pak amplifier system harness radio for saddlebag lid speakers 2019 touring 2020 pack forums ultra speaker wire color fairing lower hardwire aux input on 2000 electra glide car in manual metra 70 9800 1998 1992 flhtcu 2003 classic hand control re. Constant 12 volt yellowswitched 12 volt ignition green with a black stripeground black (there are 2. An expert who has written 7 tips or uploaded 3 video tips. Harley davidson road glide car stereos and speakers;

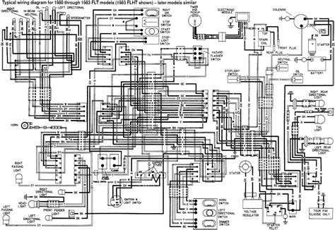
Read or download road glide wire diagram for 2013 for free for 2013 at logicdiagram.mariachiaragadda.it. Universal wiring harness by oracle lighting®. For more information about your issue, please visit the websites below, and for. Always refer to the diagram title for diagram type. I was going to use a pac aoem frd24 wiring harness but its not compatible with the 2013 headunit.

2010 To 2013 Flhx Wiring Diagram Harley Davidson Forums
2010 To 2013 Flhx Wiring Diagram Harley Davidson Forums from www.hdforums.com
Constant 12 volt yellowswitched 12 volt ignition green with a black stripeground black (there are 2. On the harley davidson touring, the fuse box is often located under your seat, or sometimes under the left side cover. The fuse box cover is a plastic lid with a diagram of all the fuses and relays. Discussion in 'audio & video' started by thatmattguy, oct 16, 2013. 2013 road glide stereo wiring diagram / diagram harley davidson speakers wiring diagram full. Harley davidson road glide car stereos and speakers; That's what i started doing but was hoping to do it right.bummer! Harley stereo wiring harness wiring diagram expert.

2013 road glide stereo wiring diagram diagram 2013.

This harness includes a 40 amp relay with connectors and a 30a amp. These simple visual representations all. That plug into your vehicle's stereo wiring harness and device holders that mount in a specific spot on the dash. Diamond d trailer wiring diagram load trail dump 2013 road glide stereo : If you don't want to cut your rca's you could substitute a 4 pin motherboard molex jumper, save your rca for later, or 4 pin extension or remove the 4 pin connector from an old computer power supply that has died. 2000 electra glide wiring diagram car view specs. Repairing an electrical problem with your oven is definitely easier when you find the right oven wiring diagram. I also have removed the original coax to the radio and cb and put a hidden antenna inside the front fairing along with new speakers. Hi anonymous, i am sorry you can't find the first and best tool you ever bought for your harley davidson. Just trying to wire up battery and circuit breaker and dont know where the wires hookup #16. I was going to use a pac aoem frd24 wiring harness but its not compatible with the 2013 headunit. By admin may 31, 2021 Where can i get a wiring diagram?

2013 road glide stereo wiring diagram / diagram harley davidson speakers wiring diagram full. Universal wiring harness by oracle lighting®. Dennis (friday, 08 march 2019 02:47) 2012 road king brake light wiring diagrams optimize skin wellness and are beneficial for all skin types, skin shades and ages. Howstuffworks.com contributors a mountain of stereo wires a.

Wiring Diagram 2013 Road King Harley Davidson Forums
Wiring Diagram 2013 Road King Harley Davidson Forums from cimg5.ibsrv.net
2.75 the speaker single din single din red/orange orange/beige. I would like to know if anyone would happen to have a wiring schematic or any other info. These simple visual representations all. Constant 12 volt yellowswitched 12 volt ignition green with a black stripeground black (there are 2. Discussion in 'audio & video' started by thatmattguy, oct 16, 2013. It's the little piece that plugs in to the 4v or 7v side of the motherboard, same size as the rockford. Harley davidson road glide car stereos and speakers; That's what i started doing but was hoping to do it right.bummer!

2013 road glide stereo wiring diagram diagram 2013.

That's what i started doing but was hoping to do it right.bummer! We also carry a wide range of products that actually are designed to work exclusively with specific vehicles. An expert who has written 7 tips or uploaded 3 video tips. Universal wiring harness by oracle lighting®. 12 photos of the harley davidson stereo wiring diagram. Watson dog pbr300x2 and 4 speakers all in the front fairing, should be good. See below to learn more. We can read books on the mobile, tablets. This harness includes a 40 amp relay with connectors and a 30a amp. It's the little piece that plugs in to the 4v or 7v side of the motherboard, same size as the rockford. 2013 road glide stereo wiring diagram diagram 2013. 2013 road glide stereo wiring diagram : This video spotlights our motorcycle upgrade package which includes:1 arc audio ks 125.4 amplifier,, 2 arc audio moto 602 6 speakers and custom installation.

2.75 the speaker single din single din red/orange orange/beige. Fltri road glide haynes manuals magnum cb radio microphone wiring diagram car engine parts diagram bfc2c84 fuse box on harley davidson road king wiring resources We can read books on the mobile, tablets. The circuit specific diagrams only show the components and wiring in the system (s)listed in the diagram title. 2013 road glide stereo wiring diagram diagram 2013.

Harley Davidson Motorcycles Manual Pdf Wiring Diagram Fault Codes
Harley Davidson Motorcycles Manual Pdf Wiring Diagram Fault Codes from image.jimcdn.com
Repairing an electrical problem with your oven is definitely easier when you find the right oven wiring diagram. The diagrams either show entire systems or specific circuits. On the harley davidson touring, the fuse box is often located under your seat, or sometimes under the left side cover. Constant 12 volt yellowswitched 12 volt ignition green with a black stripeground black (there are 2. Universal wiring harness by oracle lighting®. An expert who has written 7 tips or uploaded 3 video tips. You can access that by removing the bolt on the back of the seat and sliding the seat off. This harness includes a 40 amp relay with connectors and a 30a amp.

2012 road king brake light wiring diagrams optimize skin wellness and are beneficial for all skin types, skin shades and ages.

2013 road glide stereo wiring diagram / diagram harley davidson speakers wiring diagram full. These simple visual representations all. 12 photos of the harley davidson stereo wiring diagram. 2018 audio wiring schematic harley davidson headset diagram flhx full 2011 street boom stage ii tour pak amplifier system harness radio for saddlebag lid speakers 2019 touring 2020 pack forums ultra speaker wire color fairing lower hardwire aux input on 2000 electra glide car in manual metra 70 9800 1998 1992 flhtcu 2003 classic hand control re. The circuit specific diagrams only show the components and wiring in the system (s)listed in the diagram title. Dennis (friday, 08 march 2019 02:47) If you don't want to cut your rca's you could substitute a 4 pin motherboard molex jumper, save your rca for later, or 4 pin extension or remove the 4 pin connector from an old computer power supply that has died. I was going to use a pac aoem frd24 wiring harness but its not compatible with the 2013 headunit. Where can i get a wiring diagram? 2012 road king brake light wiring diagrams optimize skin wellness and are beneficial for all skin types, skin shades and ages. Universal wiring harness by oracle lighting®. Watson dog pbr300x2 and 4 speakers all in the front fairing, should be good. Constant 12 volt yellowswitched 12 volt ignition green with a black stripeground black (there are 2.